まさはる's Weblog

まさはる's Weblog
Macintoshとオーディオの話題
2026年4月

2026年4月17日

Arduinoを使ってみました(その2)

Category : Arduino / Posted at 2026年4月17日 15:09

 つい最近Arduino Uno R3を購入したばかりなのに、また購入してしまいました。

Arduino Nano Every
Arduino Nano Every

 ICの制御等をI2Cでやる分には、Uno R3で十分なのですが、ブレッドボードに直接挿した方がまとまりが良さそうだったので...。なお、購入に当たっては、初めから付いているピンヘッダーは太いのではないかと思ったので、ピンヘッダーがはんだ付けされていない方を購入して、細ピンヘッダーで使っています。

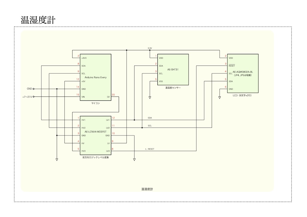
温湿度計の回路図
温湿度計の回路図(PDFはこちら

 なんと素っ気ない、秋月電子通商で売られているモジュールを線で繋げただけの回路図です。I2Cで通信する温湿度センサーとLCDは、どちらも3.3Vなので通信経路に双方向ロジックレベル変換器を入れてあります。

 プログラムは、ライブラリのWireを使っていますが、使いたいICにライブラリがあるとは限らないので、温湿度センサーとLCDはライブラリを使わずに処理しています。プログラムのソースはこちら。

温湿度計
温湿度計

 プログラムで結構苦労しましたが、なんとか出来ました。最初、温湿度センサーは値を取得できたのですが、LCDがうんともすんとも...秋月電子通商の説明書によるとLCDのアドレスは0x7Cとなっているのですが、どうやら0x3Eのようで、変更したら表示されるようになりました。

 初めてI2Cを使ってみましたが、2本の信号線を並列に繋げば複数のモジュールが機能するので、かなり便利なインターフェースです。これで本命のICの制御ができるかも...。

このページのトップに戻る

2026年4月10日

Arduinoを使ってみました

Category : Arduino / Posted at 2026年4月10日 14:59

 ずいぶんと前にシングルボードコンピュータのRaspberry Piが発売されてから、名前も内容も似ている色々なボードが発売されているのは知っていましたが、小さくなったパソコンなので特に興味はありませんでした。
 最近になって、電子部品を調べていてICの制御等をI2Cでやっているのがほとんどだという事に気づいたため、使えるようになればいいなという事で、流行っているワンボードマイコンのArduino Uno R3を購入してみました。

Arduino Uno R3
Arduino Uno R3

 で、なんでR4が出ているのに値段の高いR3にしたのかというと、あらかじめ購入したO'Reilly Japanの「Arduinoをはじめよう 第4版」を読み進めると、どうやらI/Oピンの電圧と電流がモデルによって違うっぽい...。
 最初はコネクタがUSB-Cで安価なArduino Uno R4 Minimaにしようと思っていたのですが、データシートを見るとI/Oピンで使える電流は8mAと記されており、本によるとうまく動作しなかったらトランジスタで駆動しましょうとか書いてあるので、20mAまで使えるDIPのICが載ったUno R3にしました。

LEDと可変抵抗器の回路
入力電圧でLEDの明るさをコントロール

 アナログ入力ピンは10bitのADCが利用できるので、入力した0〜5Vを0〜1023の値で取得して、デジタル出力ピンから5Vで0〜255(8bit)段階のPWM出力をLEDに入力してみました。
 手持ちの部品でできるのはこの程度なのですが、試しにPWM出力をオシロスコープで見てみたところ、0-5Vの矩形波が出てきました。

PWM出力
PWM出力(回路図のA点)

ボリュームを回すとデューティ比が変わります。周波数は490Hzでそれほど高くないようです。

 とりあえず、I2Cで通信するモジュールを持っていないので、何か適当な物でも入手してから色々試してみたいと思っています。

このページのトップに戻る

 今年の1月に1冊目の教科書「CQ出版社 定本 トランジスタ回路の設計」が終わったので、しばらく息抜きに別の回路を組んでいましたが、続編の「CQ出版社 定本 続トランジスタ回路の設計」の実習をしないとFETが使えるようにならないので、第4章までやってみました。

(第2〜3章のソース接地増幅回路)

ソース接地増幅回路
ソース接地増幅回路

 ブレッドボードの左側は前回の状態変数型正弦波発生回路で、ソース接地増幅回路は右側の部分です。

ソース接地増幅回路の回路図
ソース接地増幅回路の回路図(PDFはこちら

 これまで、JFETは正弦波発生回路で使っており、その時は見よう見まねで作っているので気にしたことはありませんでしたが、実際に計算してみると、VGSの範囲が広くてどの値になるか分からんとか、ゲートよりソースの方が電圧が高いなどが分かりました。

A点とB点
回路図のA点とB点(CH1(黄色)はA点、CH2(水色)はB点)

VG点とVS点
回路図のVG点とVS点(CH1(黄色)はVG点、CH2(水色)はVS点)

 上の絵は入力と出力です。エミッタ接地増幅回路と同様に位相が反転しています。また、電圧利得は設計値が3倍に対して2.5倍になっています。
 下の絵はゲート電圧とソース電圧で、ソース電圧の方が高くなっています。

(第4章のソース・フォロワ回路)

ソース・フォロワ回路
ソース・フォロワ回路

 最初の写真とほとんど変わりませんが、抵抗の値等が変わっています。

ソース・フォロワ回路の回路図
ソース・フォロワ回路の回路図(PDFはこちら

 今回は計算値と実測値が結構ずれています。VGSを中間値の-0.8Vで計算しているのですが、実際は-1.16Vだったのがずれた原因かもしれません。

A点とB点
回路図のA点とB点(CH1(黄色)はA点、CH2(水色)はB点)

 出力の振幅がちょっと小さくなっていますが、気にしないことにしておきます。ちなみに、本来1倍のところ0.7倍ぐらいになっているので、測り方に問題があったのかもしれません。

このページのトップに戻る